Langsung ke konten utama

2003 Toyota Tacoma Fuel Pump Relay Location

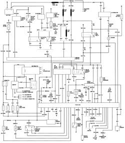
2003 Toyota Tacoma Fuel Pump Relay Location. This is very common to most of the Honda / Acura and even the location might be in the same place. We specialize in a wide-variety of.

2013 Nissan Frontier Fuel Filter Location - Wiring Diagram ...
2013 Nissan Frontier Fuel Filter Location - Wiring Diagram ... (Luis Barker)
This is very common to most of the Honda / Acura and even the location might be in the same place. It is called a "circuit opening". Tested it" - by xianqiang zhang.

I cannot hear the fuel pump when I turn the key to on.

I am working on the Fuel Pump System due to hard start.

2011 Nissan Frontier Fuel Filter Location - Wiring Diagram ...

How to Replace a Fuel Pump Relay | YourMechanic Advice

2004 Corolla Fuel Pump Relay Diagram - Toyota Corolla 2004 ...

Where is the fuel pump relay located ina 2004 toyota ...

Toyota 4runner Ac Relay Location

2006 Nissan Frontier Fuel Filter Location - Wiring Diagram ...

Trouble removing starter relay | Tacoma World

Toyota 4runner Fuel Pump Relay Location

Toyota Tacoma Power Brake Booster Vacuum Sensor. Detects ...

Fuel Pump / Circuit Opening Relay. Unfollow toyota tacoma fuel pump to stop getting updates on your eBay Feed. toyota tacoma fuel pump: Items in search results. Next, I check the fuel filter to make sure it was install with the arrow facing the right direction.

Komentar

Postingan populer dari blog ini

2011 Toyota Tundra Grill

2011 Toyota Tundra Grill . Take advantage of our extensive image galleries, videos, and staff of truck experts. The grille is vulnerable to airborne debris, which can wear the paint and chrome and cause cracks and other damage. T-Rex® - Toyota Tundra Base / SR5 2010 1-Pc High Polished ... (Mollie Newman) Choose top quality brands Action Crash, DIY Solutions, RBP. AutoAnything's billet grilles are custom-made for a perfect fit. The grille is vulnerable to airborne debris, which can wear the paint and chrome and cause cracks and other damage. The best online destination and local store solution for all of your Truck and Jeep off-roading needs! Take advantage of our extensive image galleries, videos, and staff of truck experts. 2010 2011 2012 2013 TOYOTA TUNDRA FRONT GRILL USED OEM | eBay Fits 2010-2013 Toyota Tundra Billet Grille Grill Insert ... ...

2011 Tundra Grill

2011 Tundra Grill . Participate in all Tundra discussion topics Communicate privately with other Tundra owners from around the world You can order two grilles, one with the insert you want and one with the surround you want. Various designs are available just like the following. E&G Classics 2010-2013 Toyota Tundra Grille Upper E-Power ... (Leonard Hunt) At Andy's Auto Sport, we have a huge variety of Toyota Tundra grill guards to ensure that you have every grill guard option available to you. Participate in all Tundra discussion topics Communicate privately with other Tundra owners from around the world You can order two grilles, one with the insert you want and one with the surround you want. EAG Replacement ABS Upper Grille Honeycomb Full Grill - Charcoal Gray - with. TundraUAE is the One and Only! EAG Replacement ABS Upper Grille Honeycomb Full Grill - Charcoal Gray - with. FOR 2010 2011 2012 2013 Toyota ...

Method Nv 4 Runner

Method Nv 4 Runner . SCS may be better but I honestly can't see how as there is absolutely nothing wrong with the NV's. Method's NV wheel fits right onto your truck's hub and has a great offset that allows big tires to stick out just slightly farther than stock for an aggressive look, especially with a dark paint job or other black exterior parts and accessories. Tacoma Tires 799.0$ | Dealsan (Bruce Dunn) Toyota has modernized this ancient four-wheeler with an impressive amount of standard driver assists and infotainment features. These are probably the most popular design, and with the undercut lip that simulates a true beadlock who wouldn't love them? Method's NV wheel fits right onto your truck's hub and has a great offset that allows big tires to stick out just slightly farther than stock for an aggressive look, especially with a dark paint job or other black exterior parts and accessories. I realize these wheels are lug centri...